圣博凯斯集团杰出的创新技术衍生而来的世博源LTP系列宽流道变线节能循环水专用泵是圣博凯斯集团积极倡导节能降耗,应用航空三元专为循环水系统量身定制的流量技术高性能比是一种新型的效率节能的高端品质循环水泵。如何解决泵的高能耗,高损耗是节能的关键。采用高标准配置和节能设计。稳定的运行是行业的LTP系列泵的两个主要特征。 该泵使用三元流理论和CFD软件计算的技术路线,流体力学和优化方法来考虑较小的水力损失,较高的效率和空化性能。使用循环水系统的独特线性操作条件和自静压力,使用不带负压叠加推压技术的宽通道线性三元流流体来找到不同流量和几何参数的优化组合,使泵充分达到了节能降耗的目的。 目前,市场上用于热交换器,中央(集中式)空调冷却和加热装置,锅炉供热循环水或工业循环水的大多数循环泵是受欢迎的通用普通水泵,通常与 吸程和吸水。相对较低的端口会增加电动机的能耗,并在循环水系统中形成阻力。 徒劳地失去了液体的动力。因此,LTP系列节能循环专用泵的独特结构和性能降低了流体的全部阻力,从而充分发挥了电机循环水的动能。与传统的通用泵相比,具有显着的节能效果,理论节能率可达到百分之十五到百分之四十五。
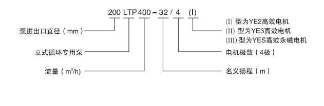
200-表示泵进出口直径(mm)
LTP-表示立式循环专用泵
400-表示流量(m³/h)
32-表示名义扬程(m)
4-表示电机级数(4极)
(Ⅰ)-表示(Ⅰ)型为YE2电机 (Ⅱ)型为YE3电机 (Ⅲ)型为YES永磁电机
以上是湖南圣博凯斯泵阀对立式节能泵的型号进行的简要说明。
