工程塑料隔膜泵安装时的注意事项
1.位置:噪音,通常是设备安装的位置,应询问其他因素。相互冲突的要求,可能导致使用区域分块并行安装,并影响其他泵的安装。
2.使用:该泵的位置必须易于使用,这将便于维护人员进行日常检查和调试。
3.电源:每个泵都有一个呼吸管和一个通气管,它们应该能够提供足够的空气以达到理想的抽气速率。
4.安装高度:请避免自吸减少的问题,并充分考虑工程塑料隔膜泵的自吸能力。
5.配管:在确定工程塑料隔膜泵安装位置时要考虑可能的配管问题。
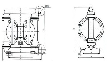
工程塑料隔膜泵安装尺寸
工程塑料隔膜泵其他安装使用情况说明
安装应选择在较短和直接进口和出口管道的连接。应尽量避免额外的弯管及管件设施。所有应该能够独自站立泵管。此外,管道应责令避免应力的泵管。
活动可以被安装,以消除泵软管和从自然产生的应力的作用。工程塑料隔膜泵具有固定底座,放置在该泵和基础垫层之间的连接将有助于降低该泵的振动。
如果工程塑料隔膜泵抽水时,应确保所有管道接头须无泄漏密封,以及自吸能力须在该泵的范围内。
以上是湖南圣博凯斯水泵对工程塑料隔膜泵安装注意事项进行的总结。
