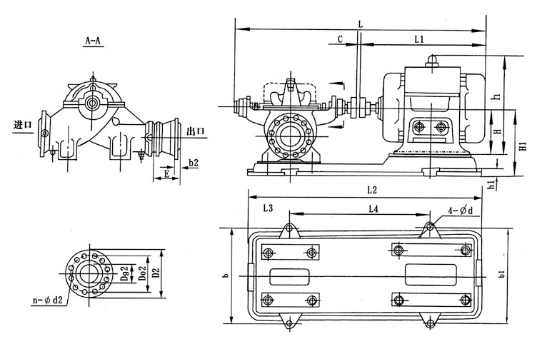
在了解双吸泵的安装方法以及安装示意图之前,我们先要清楚单级双吸泵的结构图,这有利于正确安装双吸泵。
双吸泵安装方法
1.双吸中开泵的安装需要采用较短的管路布置,尽量减少弯管等配件,可以适当配大一些口径的水管,用来减少管内水流的速度。
2.安装地点的水温和高程,如果当地海拔在300米以上,又或者抽水的水温超过20℃,计算值要进行修正。不同海拔高程处的大气压和高于20℃水温时的饱和蒸汽压力。水温低于20℃时,饱和蒸汽压力可以忽略不计入在内。
3.双吸离心泵的安装技术关键在于确定水泵安装高度(吸程)。双吸泵的吸程高度指水源面到单级双吸泵叶轮中心线的垂直距离,与允许吸上真空高度不能混为一谈。安装高度应该是允许吸上真空高度减去吸水管道损失扬程以后,剩下的那部分数值,需要克服实际地形吸水高度。单级双吸离心泵安装高度不能超过计算值,否则会抽不上来水。
4.从管道安装技术上,吸水管道要求有严格的密封性,不能漏水和漏气,否则会破坏双吸泵进水口处的真空度,使出水量减少,严重时甚至抽不上来水。
双吸泵安装示意图
双吸泵安装示意图
