产品简介
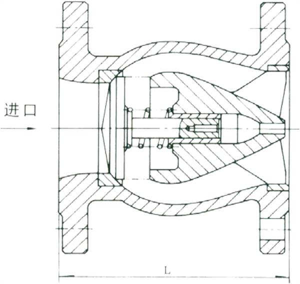
静音式止回阀主要由阀体,阀座,导流体,阀瓣,轴承及弹簧等主要零件组成,内部水流通路采用流线型设计,水头按大小,同时于停泵时其阀瓣关闭行程很短,可达快速关闭,防治巨大水击声,形成静音效果。
该阀主要适用于给排水,消防暖通系统,可安装于水泵出水口处,以防止倒流及水锤对泵的损害。
产品特点
在没有介质流过阀体时,阀瓣在弹簧力的作用下总处于关闭状态,阀瓣的开启、关闭及开启度大小主要取决于进出口端压力差,如果进口端压力大于出口端与弹簧的总和时,阀瓣开启,只要有压力差,阀瓣一直处于开启状态,同时压力差的大小决定阀瓣开启度大小;如果出口端压力与弹簧力总和大于进口端时,阀瓣一直处于关闭状态,由于阀瓣的开启关闭是处于一个动态的力平衡系统中,不管进口端的介质变化如何,此阀运行平衡,且无噪音,安全故障少。
1、阀体内部水流通路采用流线型设计,水头损失小
2、合理、密封性好、耐磨损、使用寿命长
3、有导向装置,关闭灵活,且阀瓣关闭行程短,能实现阀门的快速关闭,防止巨大水击声行程静音效果,且运行平稳、无震动、无噪音、安全、极少出现故障
产品小样图

产品参数
主要性能参数:公称压力PN1.0/1.6/2.5Mpa适用温度≤80℃适用介质水、暖通系统主要零部件阀体、导流体、阀座、阀瓣、弹簧主要材料铸铁、球墨铸铁、碳钢
