工程塑料隔膜泵是一种新型的输送机械,在中国是一种新型的泵。压缩空气被用作动力源,可以排出各种腐蚀性液体,带颗粒的液体,高粘度,易挥发,易燃和剧毒的液体。其性能参数类似于德意和美国。工程塑料隔膜泵有五种材料:铝合金,铸铁,不锈钢,工程塑料,衬氟塑料。工程塑料隔膜泵根据不同的液体介质使用丁腈橡胶,氯丁橡胶,氟橡胶和聚四氟乙烯隔膜。以满足不同用户的需求。该泵自1986年投入生产以来,它已被1,000多家国内石油,化学,电子,陶瓷和纺织系统单位采用。它安装在各种特殊场合,用于泵送常规泵无法泵送的特性。取得了令人满意的结果。
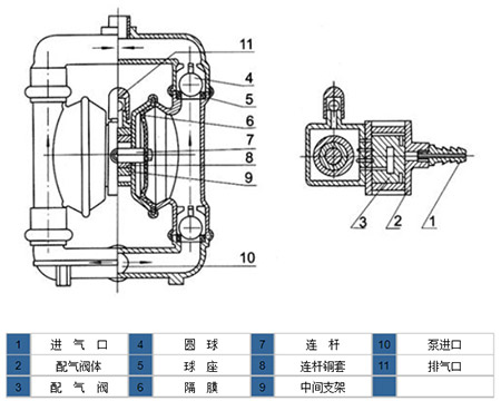
工程塑料隔膜泵的结构图
工程塑料隔膜泵的结构图
工程塑料隔膜泵的工作原理
在工程塑料隔膜泵的两个对称工作腔中A,B中各装有一块隔膜,由中心连杆将其结合成一体。压缩空气从该泵的进气口进入配气阀,通过配气机杓将压缩空气引入其中一腔,推动腔中隔膜运动,而另一腔中空气排出,一旦到达行程终点,配气机构自动将压缩空气引入另一工作腔,推动隔膜相反方向运动,从而使两个隔膜连续同步地往复运动。
工程塑料隔膜泵的工作原理
在图中压缩空气由进口进入配气阀,使膜片向右运动,则A室吸力使介质由C入口流入,推开球阀2进入A室,球阀4则因吸入闭锁,日室中的介质则被挤压,推开球阀3由D流出同时使1闭锁,防止回流,就这样循环往复使介质不断从C入口吸入D出口出排出。
以上是湖南圣博凯斯水泵对工程塑料隔膜泵的结构图和原理进行的总结。
