铝合金气动隔膜泵的拆卸步骤:用扳手拧松连接进水管和泵体的螺钉,拆下出水管以查看阀球和阀座,取出阀球和阀座,然后检查另一个铝合金气动隔膜泵的备件,仔细检查是否有磨损,化学腐蚀和破裂等现象。
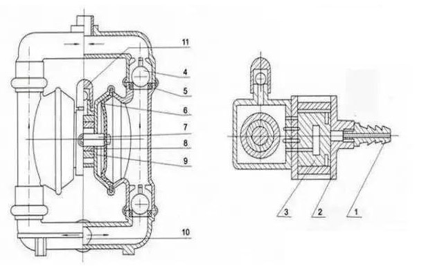
铝合金气动隔膜泵结构图
铝合金气动隔膜泵的拆卸步骤
铝合金气动隔膜泵长时间运行后,如果发生某些故障,用户可以按照以下步骤检查并找出故障原因。请勿大力拆卸铝合金气动隔膜泵。
1.拆卸铝合金气动隔膜泵之前,请在铝合金气动隔膜泵的左侧和右侧标记泵体和气室,以利于后续的重新组装。
2.用扳手松开连接出口管和泵体的螺钉。卸下出口管,您会看到阀球和阀座。取出阀球和阀座,并检查铝合金气动隔膜泵的其他备件。仔细检查是否有磨损,化学腐蚀,裂缝和其他现象。
3.用扳手拧松连接进水管和泵体的螺钉,拆下出水管以查看阀球和阀座,取出阀球和阀座,并检查铝合金气动隔膜泵的其他备件,仔细检查是否有磨损,化学腐蚀,裂缝等现象。
4.用扳手分开外部泵体和内部测试泵的中间体,卸下泵体后可以看到隔膜和隔膜夹板。
5.使用工具或扳手固定隔膜外夹板的左右边缘,以将隔膜装置与中间体分开。然后顺时针旋转以松开膜片组件。卸下隔膜的外夹板后,将轴从中间体上取下。
6.用夹子(木垫)将轴与隔膜装置分开,并检查轴,夹板和隔膜是否损坏和腐蚀。
7.使用工具或内六角扳手打开阀组件,并检查活塞,活塞油封,密封环,密封圈是否磨损。
以上是湖南圣博凯斯水泵对铝合金气动隔膜泵的拆卸步骤进行的总结。
