气动单向隔膜泵使用压缩空气作为动力源。是一种气动式正向位移的隔膜泵。在国内泵类产品中是新型的一种泵类产品,是一种新型的输送机械。
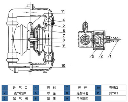
气动单向隔膜泵的结构图
气动单向隔膜泵结构图
气动单向隔膜泵工作原理
空气通过空气阀被压缩到隔膜A的背面,液体室被隔膜挤压。 这种空气驱动方法可以避免普通活塞驱动的机械应力,从而显着延长隔膜的使用寿命。当压缩空气将隔膜A推离中心体时,另一端的隔膜B被连接的中心轴同时拉向中心体。隔膜B背面的空气从出口排到泵体。这样,B腔形成真空状态,因此可以通过外部大气压将流体从进口支管中推出,从而将阀球推离阀座,从而使流体自由进入B腔。 直到充满。
当被空气挤压的膜片A达到其位移极限时,空气阀会将空气引导到膜片B的后部,同时形成挤压力将其推离中心体,同时拉动连接的 隔膜A返回在中心体中,隔膜B驱动产生的液压将入口阀球推回阀座,同时将出口阀球推离阀座,从而可以 从泵体中挤出并从出口排出。隔膜A被拉回到中心体的作用使A腔形成真空状态,因此流体可以被大气压的入口支管推离阀座并进入A腔直至充满。
通过在中心轴两端固定的两片隔膜的左右水平运动将材料压送出去。在图1的左侧空气室b中,送入压缩空气使中心轴向左方向移动。材料室B中的材料被压出,同时材料室A吸入材料。当中心轴向左移动到行程尽头时,空气交换阀换向,压缩空气被送入右侧空气室a,使中心轴向右方向移动。材料室A中的材料被压出,同时材料室B吸入材料。这样的动作往复进行材料就被连续的吸入和吐出。
气动单向隔膜泵工作原理
1.空气室A被送入压缩空气,中心轴连同左右的隔膜片一起向左方向移动。
2.中心轴向左移动到行程尽头时,被接近开关C感知,使泵的电气控制原件动作控制电磁阀换向。
3.电磁阀换向以后.压缩空气被送入空气室B,中心轴和膜片又同时向右方向移动
4.中心轴向右移动到行程尽头时,被接近开关D感知,使泵的电气控制原件动作控制电磁阀换向回到图1的状态。
以上动作往复进行,使气动单向隔膜泵连续动作下去。
以上是湖南圣博凯斯水泵对气动单向隔膜泵的结构图及工作原理进行的总结。
