氟塑料离心泵按照型号可以分为FSB氟塑料离心泵和IHF氟塑料离心泵。氟塑料离心泵按照材质可以分为氟塑料合金离心泵和氟塑料衬里离心泵。IHF氟塑料离心泵是按照国内外标准进行研发设计制造的,泵体材质为(F46)聚全氟乙丙烯,具有检修便捷、结构构造合理、不易老化、经久耐用等优点。适用于农业、化工、电力、食品、纺织等行业。工作温度在零下八十五度到两百度之间。可以泵送耐腐蚀介质,例如强氧化剂、硝酸和硫酸等。以下讲解氟塑料离心泵结构组成图解。
氟塑料离心泵结构组成图解
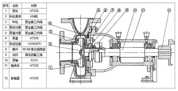
从图1氟塑料离心泵结构组成图解可以看出氟塑料离心泵由1.泵体 2. 叶轮骨架 3.叶轮4.泵体衬里 5.泵盖衬里 6.泵盖 7.机封压盖 8.静环 9.动环 10.泵轴 11.轴承体 12.联轴器组成。
泵体
离心泵泵体由吸水室和压水室两部分组成,是离心泵的的重要组成部分之一。
叶轮
叶轮被称为水泵的“心脏”,叶轮有叶片组成,叶片受到流体的冲击进行旋转而产生的动力。也是水泵、风机里带有叶片的轮。
泵盖
泵盖是有多种形状,有圆形和方形,一般用圆形的居多,由金属或者塑料制成。
机封压盖
机封压盖可以有定位和离心泵连接的作用。
泵轴
泵轴是用于把发动机输入的扭矩传输给风扇和叶轮。所需的能量由叶轮和风扇提供。
联轴器
联轴器的作用是缓冲和减振的弹簧元件,用于保护工作机和原动机,使其不受损伤。
氟塑料离心泵结构组或图解由离心泵厂家总结。
