熟悉气动双隔膜泵安装条件有利于正确安装隔膜泵产品,假如忽略安装细节,会影响气动隔膜泵使用寿命。
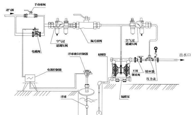
气动双隔膜泵安装图
气动双隔膜泵安装条件
(1)在使用隔膜泵时,要先安装空气过滤器,可以过滤压缩空气中的水分,在气动泵的出口安装压力表,可以避免压力过高的情况,长期停泵应该清洗气动双隔膜泵,防止凝固损坏泵体。
(2)气动双隔膜泵的安装位置必须方便使用,这样做有利于操作人员的日常检查和维修。
(3)双气动隔膜泵的安装位置有明确要求,有冲突要求的并联安装可能会发出阻塞,影响其他水泵的安装。
(4)安装时要充分考虑QBY气动隔膜泵的自吸能力,防止自吸减少的问题。
气动双隔膜泵安装案例图
(5)每台气动双隔膜泵应该有一条通气管,通气管应该提供足够的空气量。气压按照不同的泵送需求来定,请不要超过规定值。
(6)管路安装位置应该考虑每条管路所发生的管路问题后方可进行定位。建议安装位置应该选择一条较短以及较直进出口管路连接处,应该尽量避免弯管的设置。假如要把泵体和固定底座连接,可以在泵体和底座之间安装缓冲垫减少振动的发生。
隔膜泵厂家总结。
