
W型单级直连旋涡泵
W型单级直连旋涡泵性能参数
| 型号 | 流量(m3/h) | 扬程(m) | 电压v | 转速(r/min) | 功率(Kw) |
| 4分W-1.25-80(单级) | 1.25 | 80 | 220/380 | 2900 | 0.75 |
| 6分W-1.14-100(单级) | 1.14 | 100 | 380 | 2900 | 1.5 |
| 1W2.4-10.5(单级) | 2.4 | 105 | 380 | 2900 | 3 |
| 1W2.5-12(单级) | 2.5 | 120 | 380 | 2900 | 3 |
W型单级直连旋涡泵产品特点:
W型单级直连旋涡泵是一种流量小、扬程高的叶片泵,效率低,性能曲线陡降,与其他叶片泵相比,旋涡泵结构简单、体积小、重量轻,具有自吸能力或借助于简单装置实现自吸。适用于输送黏度小于15°E的无固体颗粒的清洁液体。 W型单级直连旋涡泵是供吸送清水或物理化学性质类似于水的液体之用,使用液温不超过60,旋涡泵常用于锅炉给不的配套,在造船、轻纺、化工、冶金、机械制造、水产养殖、固定消防稳压、热交换机组、农业远程喷灌等部门等都有广泛的应用。
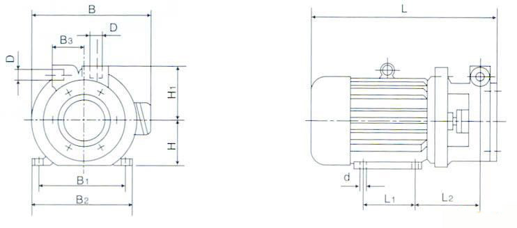
W型单级直连旋涡泵安装尺寸表

| 泵型号 | 配用电机型号 | L | L1 | L2 | B | B1 | B2 | B3 | H | H1 | D | d |
| 1W1-7 | Y90S-2 | 340 | 100 | 106 | 235 | 140 | 170 | 70 | 90 | 95 | G1" | 10 |
| 1W2.4-10.5 | Y100L-2 | 455 | 140 | 130 | 310 | 160 | 205 | 65 | 100 | 115 | G1" | 12 |
| 1W2.5-12 | Y100L-2 | 455 | 140 | 150 | 310 | 160 | 205 | 70 | 100 | 125 | G1" | 12 |
| 1.5W2.4-10.5 | Y100L-2 | 455 | 140 | 130 | 310 | 160 | 205 | 65 | 100 | 115 | G1.5" | 12 |
| 1.5DB2-0.7 | Y100L-2 | 455 | 140 | 150 | 310 | 160 | 205 | 65 | 100 | 115 | G1.5" | 12 |
| 1WA3-10.5 | Y100L-2 | 455 | 140 | 150 | 310 | 160 | 205 | 65 | 100 | 115 | G1" | 12 |
【W型单级直连旋涡泵】相关文章: